
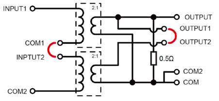
CN 200耦合变压器由两个2:1变压器初级串联、次级并联,输出端内置并联0.5 Ω/250 W的无感电阻组成,满足FMC 1278-2016 CI250 Immunity to Ground Voltage Offset测试要求。本耦合变压器亦有2:1无端接负载输出端子,可以满足其他标准的测试要求。
特点
> 频率范围2 kHz ~ 100 kHz
> EUT最大电流为50 A
> 多变比输出,简单快捷的组合实现2:1/4:1
标准原理图:

|
技术参数 |
|
|
频率范围 |
2 kHz ~ 100 kHz |
|
输入电流Max |
32 A AC/DC |
|
EUT电流Max |
50 A AC/DC |
|
音频功率 |
200 W |
|
匝比 |
4:1/2:1 |
|
输入端口 |
4 mm香蕉头端子 |
|
输出端口 |
75 A同轴空心端子 |
|
机箱尺寸 |
4U 450 mm(W)*190 mm(H)*620 mm(D) |
|
仪器重量 |
约20 kg |
|
温度范围 |
15℃ ~ 35℃ |
|
湿度范围 |
45% ~ 75%,RH(无凝露) |
|
气压范围 |
86 kPa ~ 106 kPa |
全国免费服务热线
4006-0512-77