
产品概述:
AN 150C10根据ISO 21498-2:2021、ISO 21498-2:2024、MBN_11123:2019和VW 80300:2021设计,集成阻抗为0 mΩ、2*10 mΩ、2*25 mΩ、2*50 mΩ、2*100 mΩ、50 mΩ、100 mΩ、200 mΩ和10 mF的电容。该设备可用于最大值1500 V,100 A的直流电流的试验。
产品特点:
> 彩色触摸显示屏操作,按标准选择内阻,通过继电器自动切换阻抗和电容,测试过程中无需手动转接,安全方便
> 内置10 mF去耦电容和泄放电阻,并实时监测电容电压
> 冷却方式风冷,内置温度保护,无需额外冷却装置
> 通过‘增益相位并联-直通’测试方法满足ISO 21498-2:2021、ISO 21498-2:2024 & MBN 1112:2019阻抗曲线范围,内阻满足VW80300 ±2%(最小±1mΩ)要求
> 可选配(汽车抗扰度测试软件Autolab)远程控制,自动进行系统测试发射类试验
> 输出电阻0 mΩ、2*10 mΩ、2*25 mΩ、2*50 mΩ、2*100 mΩ和50 mΩ、100 mΩ、200 mΩ
> 设计采用高压屏蔽端子使用起来更安全便捷
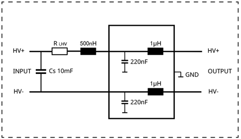
ISO 21498-2:2021、ISO 21498-2:2024、MBN_11123:2019标准原理图如下:
VW 80300:2021标准原理图如下:

|
技术参数 |
|
|
频率范围 |
10 Hz ~ 150 KHz |
|
输出阻抗 |
0mΩ,2*10mΩ,2*25mΩ,2*50mΩ,2*100mΩ, 50mΩ,100mΩ,200mΩ |
|
电感 |
1 μH |
|
接地电容 |
1 μF 或 220 nF |
|
去耦电容 |
10mF(0~+10%) |
|
输入电压 |
MAX 1500 VDC |
|
电流 |
持续100 A,最大200 A(持续2 min) |
|
电容电压监测 |
下位机屏幕显示 |
|
温度保护 |
设备内部温度超80 ℃中止运行 |
|
通用参数 |
|
|
工作电源范围 |
AC 110 V/220 V±10%,50/60 Hz±5% |
|
保险丝 |
6 A |
|
最大功耗 |
400 W |
|
仪器接地连接方式 |
使用扁平接地线 |
|
机柜尺寸 |
35U(600*800*1850mm) |
|
重量 |
约260 kg |
|
温度范围 |
15-35 ℃ |
|
湿度范围 |
45% - 75%,(无凝露) |
|
气压范围 |
86 kPa – 106 kPa |
|
标配附件 |
|
|
电源线、保险丝、接地线、测试线、校准模块、说明书、检验报告、产品质保书 |
|
|
选配附件 |
|
|
汽车抗扰度测试软件Autolab |
支持windows 7 and Windows 10、11,它使用方便、用户界面美观、直观,各项操作功能以及标准测试库使用户可以轻松完成自定义测试程序,用户可自定义任意波形(标准库以外),它能够自动/手动识别所连接的Autolab测试设备并进行自动配置,基于模板的报告功能可以帮助用户灵活地生成测试报告。 |
全国免费服务热线
4006-0512-77