
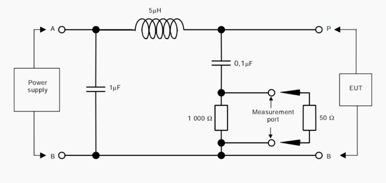
人工网络TAN 400C主要用于CISPR 25测试中将低压零部件与电源隔离,并用于电源线路上的传导骚扰电压测试。阻抗完全满足CISPR 25标准人工网络的特征。EUT连接到面板的OUTPUT输出端,电源端口连接到面板INPUT输入端。EMI测量端口为标准N型接口。
电路原理图:
命名规则:
|
技术参数 |
|
|
500 V DC |
|
|
250 V 50 / 60 Hz、125 V 400 Hz |
|
|
400 A |
|
|
瞬时最大电流 |
500 A |
|
阻抗 |
5 μH‖50 Ω ± 10% |
|
阻抗频率范围 |
|
|
耦合电容 |
0.1 μF |
|
去耦电容 |
1 μF |
|
通用参数 |
|
|
N型 |
|
|
机箱尺寸 |
200 mm(W)*220 mm(H)*420 mm(D) |
|
仪器重量 |
约 11 kg |
|
温度范围 |
15℃ ~ 35℃ |
|
湿度范围 |
45% ~ 75%,RH(无凝露) |
|
气压范围 |
86 kPa ~ 106 kPa |
全国免费服务热线
4006-0512-77